Ring core
Technical data
● Typical switching frenquncy 500KHz Max.
● Operating temperature range:-10℃~115℃
● Normal inductance at 1KHz,1Vac,25℃
● Normal IF at 50KHz,800mA,25℃
● Customer-specific types on request
Application
● Pulse transformers,line filters,inductors,etc.
● Ballast,switching power supply,etc.
● RoHS Compliance
Design Ring core
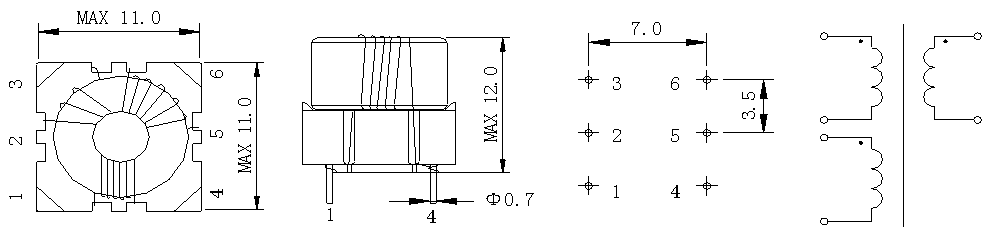
● Core:9×5×4 and 10×6×3.5
● Coil former:see below information
Typical configuration & dimensions & Circuit Diagram

